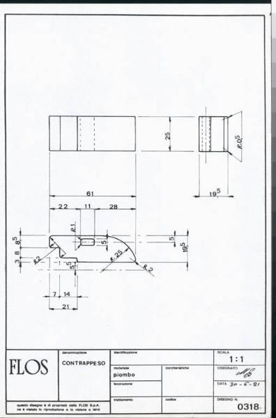
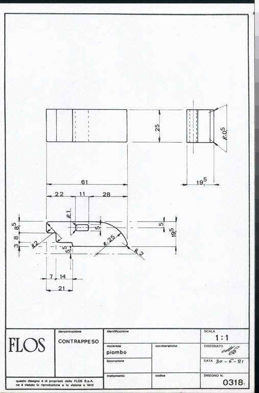
lampada da tavolo Gibigiana
disegno
1981/06/30 - 1981/06/30
Flos (1962-)
1962-
Tavola tecnica raffigurante pianta, prospetto e sezioni della vite di regolazione della lampada Gibigiana
- FONTE DEI DATI Regione Lombardia
- OGGETTO disegno
-
MATERIA E TECNICA
carta/ inchiostro di china
-
ATTRIBUZIONI
Flos (1962-)
- LUOGO DI CONSERVAZIONE Studio Museo Achille Castiglioni
- LOCALIZZAZIONE Studio Museo Achille Castiglioni
- INDIRIZZO Piazza Castello, 27, Milano (MI)
- TIPOLOGIA SCHEDA Opere/oggetti d'arte
- ENTE SCHEDATORE R03/ Politecnico di Milano
- LICENZA METADATI CC-BY 4.0